昔話です。
今も現存する大阪の超有名販売店のチューニングモデルのアンプで鳴らすPMC
音を思い出してください
スッカスカでは無かったですか?
では、イメージを当てはめてください。「透明感がある音だった」と。
これが真理なんです。
僕は騙されて買いました。
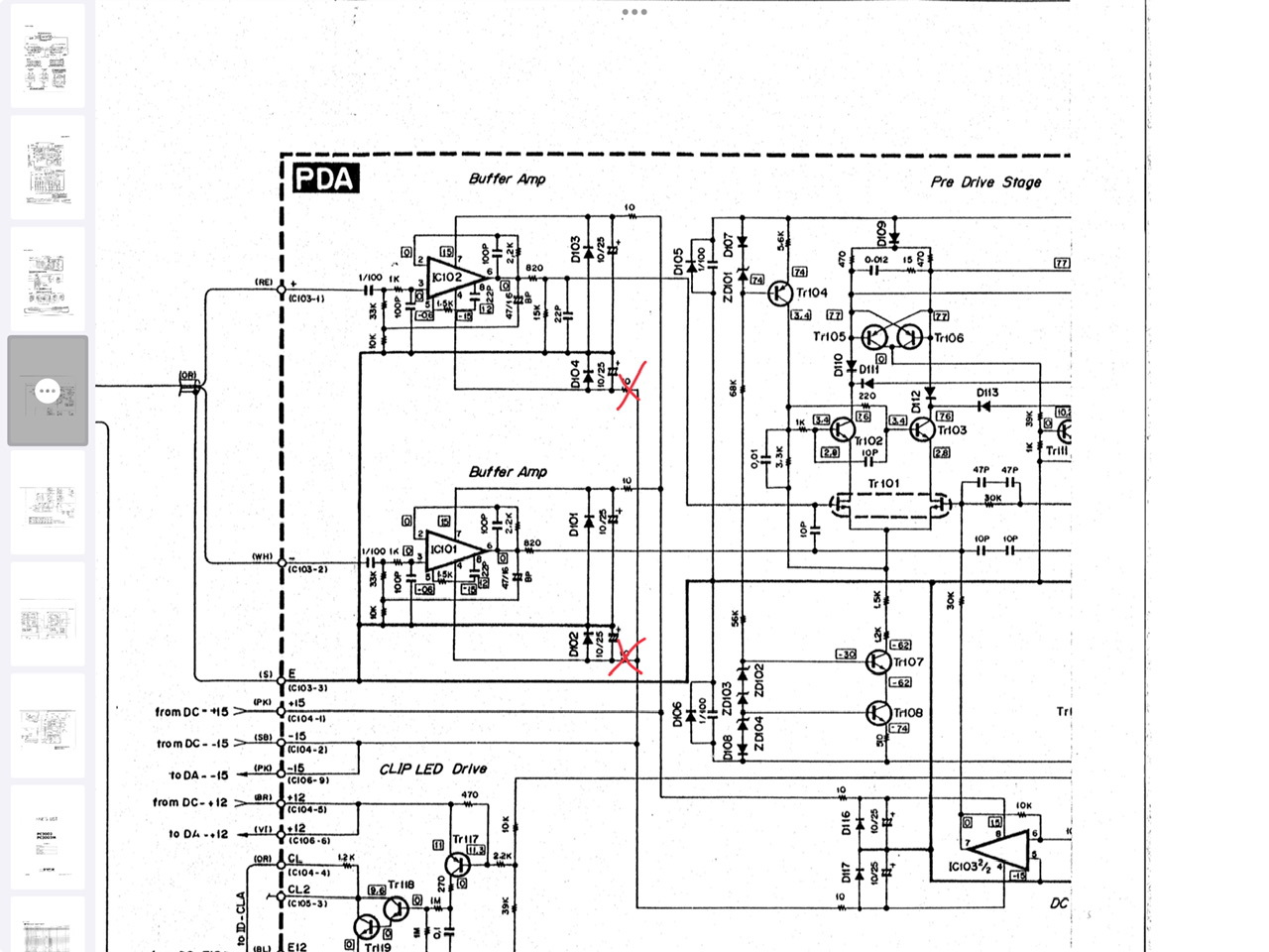
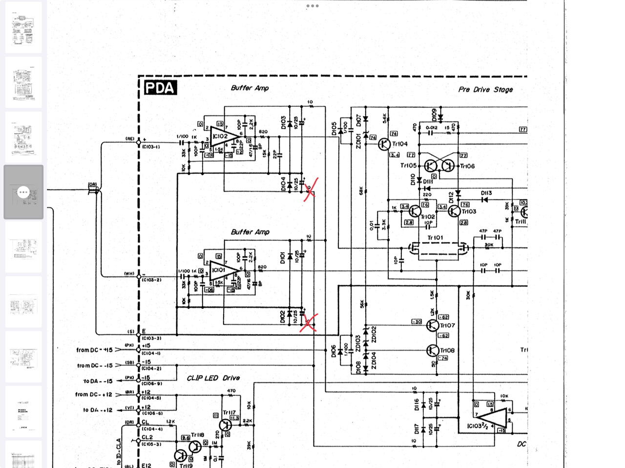
スッカスカのスイッチングアンプを。
低域も中域もスッカスカで、高域もさほど伸びず、実に透明感豊かな音色でした。
ほんま後悔したわ。
この「透明感」というフレーズは、とんでもないレベルの騙しフレーズの常套句だと感じていて、
透明感という製品は、確実にスッカスカなんですね。
補足すれば、dCSのようなあの空気感、透明感っぽいアレは、スッカスカではなくて、6k〜8kHzあたりを特徴的に協調すると、ああいう音になります。dCSは情報量多いからね、スッカスカとは無縁ですが。
この違いを混同すると、なかなか大変な誤解に振り回されて散財しますよ、というテーマで書いています。
それを作ったチューニング会社は、「それが情報たっぷりで生らしい」と感じられるようなので、
他人の好みにはケチはつけませんけれど、音としては酷いものですよね。
例えば、静かな静寂の限りのクラシック会場があるとします。一流コンサートホールです。
人の騒めき(鼓動、呼吸)に加え、空調の音が絶対に入るんですよ。
超低域や、中高域に被る反響音として。
消防法上、空調設備のないコンサートホールはありえないし、
設計に関わる法規でも、水準を満たす換気設備が常時駆動されているはずです。
「透明感」あるか?
どこに?
という話なんですね。
もうお分かりでしょう。詐欺のフレーズです。
ちなみに、ハイエンドメーカーは、音の色付けとして、透明感モドキの着色をしています。
人工的なカラーを付加することで、澄んだ音というアピールを植え付ける手法です。
なんとなく、ご理解いただけるでしょうか。
ちなみに、あの15万か20万か忘れましたが、あのアンプの代金に関しては、いまだに少しだけイラッときます。
無駄金でした。騙されました。

